A rétegződésgátló ventilátorral energiatakarékos módon fűthetünk nagy belmagasságú épületeket, csarnokokat. A felső légtérben megakadályozza a meleg levegő megrekedését, így kisebb fűtési teljesítmény szükséges a megfelelő komfort eléréséhez. A rétegződésgátló ventilátor folyamatosan elkeveri a meleg és a hideg levegőt az épületben.
További ipari ventilátor kínálatunkat itt találja: IPARI VENTILÁTOROK
HC-3S rétegződésgátló ventilátor tulajdonságai
-
Konzollal a felső légtérbe helyezve megszünteti a meleg és a hűvösebb levegő rétegződését. -
3 sebességű axiál ventilátorral szerelt, 3100/3900/4600 m3/h légszállítással
- A ventilátor lapát átmérője 450mm
-
Ipari és kereskedelmi helyiségek szellőztetésére ideális.
-
A rétegződésgátló ventilátor maximális beépítési magasság 10m
-
Opcionálisan kiegészítő digitális vagy manuális termosztáttal
-
Golyós csapággyal gyártott motor a hosszú élettartam érdekében
-
Mechanikai védelme az ipari axiál ventilátornak: IP54
-
Környezeti hőmérséklet tartomány: -300C – +600C
-
EPP habosított polipropilen házzal készül a jobb hő és zajszigetelés valamint kis súly érdekében 100%-ban újrahasznosított anyagból.
-
A diffuzer horganyzott lemezből készül
- Forgatható konzollal könnyen felszerelhető és megfelelő irányba állítható a ventilátor
A rétegződés gátló ventilátor műszaki adatai
| HC-3S | 3100 / 3900 / 4600 | 52 / 56 / 61 | 1360 / 1050 / 750 |
240 / 190 / 160 |
0,42 | 230V 1F |
| Típus | Légszállítás [m³/h] |
Zajszint [dBa] |
Ford.szám [1/min] |
Teljesítmény [W] |
Áramfelvétel [A] | Feszültség [V] |
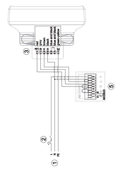
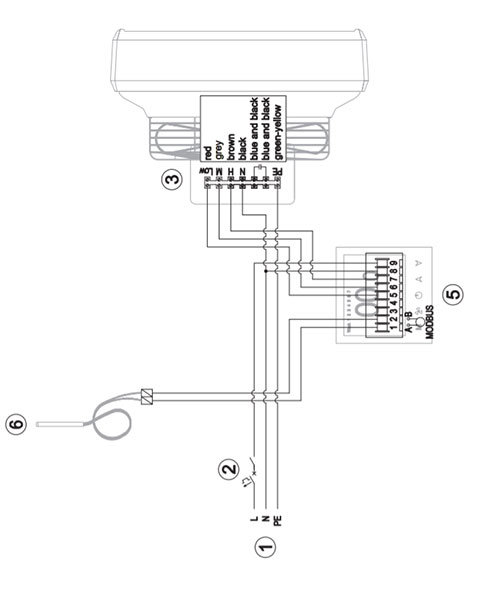
Rétegződésgátló ventilátor elektromos bekötése
HC-3S Rétegződésgátló ventilátor méretei

| 698mm | 739mm | 360mm |
| a | b | c |
Mire használható a HC-3S rétegződésgátló ventilátor?
A fűtött nagy terekben a meleg levegő a helyiség felső részében gyűlik össze, ami hőveszteséget okoz. A rétegződésgátló ventilátorok, más néven keverőventilátorok csökkentik a fűtési költségeket. A levegőt visszairányítják a munkazónába, egyúttal kiegyenlítik a magas terekben a levegő hőmérsékletét, valamint korlátozzák a tetőn keresztüli hőveszteséget. Használhatók gyártócsarnokokban, raktárakban és logisztikai központokban.
Szerkezet:
Ház: az anyaga habosított polipropilén (EPP). Ez az anyag jellemzően kis sűrűségű (könnyű), viszont ellenáll a vegyi anyagoknak és fizikai behatásoknak. Kiváló hang- és hőszigetelő tulajdonságokkal rendelkezik. Mindemellett környezetbarát, „zöld”, mivel 100%-ban újrahasznosítható.
360°-os diffúzor: az anyaga horganyzott acél. A speciális alakú légterelőknek köszönhetően a diffúzor egyenletes levegőeloszlást biztosít a helyiségben.
Axiálventilátor: az anyaga horganyzott acél. A ventilátor biztosítja a légáramlást a hőcserélőn át. Egyfázisú, három fokozatú motorja az alábbi paraméterekkel rendelkezik: IP54 védettség, 0,7–1,08 A névleges áramfelvétel (üzemmódtól függően). A ventilátor átmérője 450 mm.
Forgó tartókonzol (választható tartozék): a jóvoltából a berendezés különféle konfigurációkban felszerelhető (igénytől függően) és vízszintes síkban elforgatható.
A rétegződésgátló ventilátor beszerelése:
Úgy kell megválasztani a felszerelés helyét, hogy szabadon áramolhasson a levegő a készülékhez, ne gátolja semmi a levegőellátást. Az alábbi ábrák a javasolt távolságokat mutatják a fűtőberendezés és a helyiség elemei között.
A berendezés forgó tartókonzol segítségével is felszerelhető. Ez megkönnyíti a rétegződésgátló ventilátor mennyezetre való felszerelését.
- Az elektromos bekötéssel összefüggő minden munkát szakképzett villanyszerelőnek kell elvégeznie (aki rendelkezik a megfelelő engedéllyel elektromos berendezések bekötéséhez) a kapcsolási rajz alapján (lásd a 7. pontot)
- Az épület elektromos hálózatában legyen érintésvédelmi relé
- Javasolt az első indítás előtt ellenőrizni az elektromos hálózatot és a biztosítékokat
Több információra van szüksége a szellőztető ventilátorokról?
Olvasson bele a kapcsolódó szakmai cikkeinkbe!




